Soal Ujian Nasional Teknik Otomotif Kendaraan Ringan
Soal Ujian Nasional Teknik Otomotif Kendaraan Ringan
1. Gambar di bawah menerangkan sirkulasi sistem pendingin air, salah satu komponennya adalah radiator yaitu ....
A. nomor 1
B. nomor 2
C. nomor 3
D. nomor 4
E. nomor 5
B. nomor 2
C. nomor 3
D. nomor 4
E. nomor 5
A. 55,95 mm
B. 55,50 mm
C. 55,45 mm
D. 50,55 mm
E. 50,45 mm
3. Silinder bore gauge berfungsi untuk mengukur diameter dalam sebuah silinder sebelum
digunakan maka alat ukur tersebut harus dikalibrasi. Urutan yang benar untuk
mengkalibrasi silinder bore gauge adalah ....
- Set Out side micrometer sesuai dengan standar pengukuran
- Fungsikan lock clam
- Masukkan rod pengukur ke dalam out side micrometer ( seperti gambar )
- Set jarum panjang padaangka nol
A. 1-2-3-4
B. 4-1-2-3
C. 3-4-1-2
D. 2-3-4-1
E. 4-3-2-1
4. Nama alat ukur pada gambar di samping ini ....
A. mikrometer
B. dial indicator
C. jangka sorong (sighmath)
D. silinder bore gauge
E. feeler gauge
A. dengan cara direbus di dalam air mendidih dan diukur dengan suhunya
B. memberi tekanan dengan radiator cap tester dan disemprot dengan kompresor
C. mengukur suhunya dengan thermometer dan ukur karetnya dengan micrometer
D. mengukur diameter karetnya dengan sighmat dan disemprot dengan kompresor
E. membersihkannya dengan kompresor dan direbus dengan air mendidih
6. Fungsi sistem percepatan (akselerasi) di cara kerja karburator berfungsi ....
A. mensuplai bahan bakar dan udara ketika pedal gas di injak mendadak
B. mensuplai bahan bakar dan udara ketika katup trotel terbuka penuh
C. mensuplai bahan bakar dan udara ketika katup trotel tertutup
D. mensuplai bahan bakar dan udara ketika beban kendaraan bertambah
E. mensuplai bahan bakar dan udara ketika udara panas.
7. Air bleeder yang ada pada cara kerja karburator berfungsi untuk ....
A. mengalirkan bahan bakar ke intake manifol selalu dalam kondisi normal
B. menjaga agar permukaan bahan bakar pada ruang pelampung selalu konstan
C. membantu proses atomisasi bensin agar mudah bercampur dengan udara
D. menampung sementara bahan bakar agar kotoranya mengendap di dasar pelampung
E. mensetabilkan bahan bakar agar tetap bersih dan selalu mengalir ke idel port
8. Dalam sistem bahan bakar diesel, fuel tank (tangki bahan bakar) berfungsi untuk ....
A. mengalirkan solar dari tangki ke pompa injeksi
B. memajukan saat penyemprotan ketika putaran motor naik
C. merupakan tempat penampungan bahan bakar
D. memberikan tekanan pada solar yang akan diinjeksikan
E. memisahkan air yang terbawa dalam aliran solar
9. Water Sedimenter adalah salah satu komponen yang ada di sistem bahan bakar diesel
yang berfungsi untuk ....
A. memisahkan air dari bahan bakar
B. menyimpan sejumlah bahan bakar,
C. mengeluarkan udara (bleeding)
D. mengalirkan sisa bahan bakar dari injector ke tangki
E. menghisap bahan bakar dari tangki ke pompa injeksi
10. Perhatikan gambar di atas, prosedur pemeriksaan injektor yang membuang udara
(bleeding) adalah .....
A. A
B. B
C. C
D. D
E. E
11. Gambar komponen yang ditunjukan pada gambar nomor 3 adalah ....
A. clath dish
B. pressure plath
C. cluth cover
D. release bearing
E. diapragma sepring
12. Busi adalah komponen yang memberikan loncatan api untuk proses pembakaran. Bila
busi kotor, rusak akan berakibat : tenaga engine kurang, engine tidak dapat idel, pincang
dan sulit distarter. Salah satu pekerjaan perawatan busi adalah mengukur celah busi
dengan menggunakan ....
A. sighmat (jangka sorong)
B. mikrometer luar
C. mistar baja
D. dial indikator
E. feeler gauge
13. Pada waktu memeriksa mekanis penggerak kopling hidrolik, salah satu pekerjaan
perawatan adalah penyetelan kebebasan pedal kopling. Cara menyetelnya yaitu ....
A. penyetelan pada push rod master silinder
B. penyetelan pada baud pedal kopling
C. penyetelan pada mur pedal kopling
D. penyetelan pada minyak di master silinder
E. penyetelan pada baud di silinder penggerak
14. Pada waktu mesin bensin di tune-up ada pemeriksaan Sistem pelumasan Pekerjaan
pemeriksaan sistem pelumas dengan ….
A. melihat tinggi oli dengan membaca stik oli
B. melihat tinggi oli dengan mendengarkan suara mesin
C. melihat tinggi oli dengan membuka tutup tangki oli
D. melihat tinggi oli dengan membuka tutup kepala silinder
E. melihat tinggi oli dengan membuka karter
15. Salah satu komponen transmisi adalah sinkronizer ring, mempunyai fungsi untuk
melakukan ....
A. penyesuaian putaran antara gigi percepatan dengan cluth hub dan hub sleve
B. pemindahan putaran antara gigi percepatan dengan cluth hub dan hub sleve
C. percepatan putaran antara gigi percepatan dengan cluth hub dan hub sleve
D. penghubung putaran antara gigi percepatan dengan cluth hub dan hub sleve
E. putaran antara gigi percepatan dengan cluth hub dan hub sleve
16. Gambar di atas merupakan salah satu pekerjaan dalam memeriksa transmisi manual.
Gambar yang menunjukan pengukuran sift fork adalah ....
A. 1
B. 2
C. 3
D. 4
E. 5
A. 2 – 3 – 5
B. 1 – 7 – 6
C. 5 – 7 – 1
D. 4 – 3 – 2
E. 6 – 7 – 1
18. Gambar di atas adalah gambar pemeriksaan diferensial, pekerjaan yang memeriksa keolengan ring gear adalah .....
18. Gambar di atas adalah gambar pemeriksaan diferensial, pekerjaan yang memeriksa keolengan ring gear adalah .....
A. gambar 5
B. gambar 4
C. gambar 3
D. gambar 2
E. gambar 1
19. Pada kendaraan penggerak roda belakang. Pada keadaan Half Floating Type (setengah
bebas memikul), kerusakan yang sering terjadi adalah ....
A. poros pengerak bengkok
B. booth yang sobek
C. baut yang longgar
D. poros penggerak belah
E. poros tidak berputar
20. Ban terdapat beberapa type yaitu ban tubeless, ban bias atau ban radial, pernyataan di
bawah ini yang menyatakan ban bias adalah ....
A. bila ban tertusuk paku atau benda tajam lainnya, ban tidak menjadi kempes sekaligus
B. di dalam terdapat ban dalam untuk menampung udara dipompakan ke dalam ban
C. didalam ban bias tidak ada pentil untuk memasukan udara
D. didalamnya tidak ada ban dalam sehingga ban tidak mudah meletus
E. ban dalam bias lebih kuat dari pada ban radial sehingga tidak mudah kempis
21. Pada waktu kendaraan berjalan terus direm dan ternyata berbelok ke salah satu arah,
penyebabnya adalah ....
A. celah antar rem kiri dan kanan tidak sama
B. celah pedal rem dengan master silinder tidak baik
C. celah sepatu rem dan tromol rem tidak sama
D. celah antara piston dan seal tidak sama
E. celah pedal rem terlalu lebar dan terkena slip.
22. Ban mempunyai kode / penomoran. Angka –angka di atas menunjukan kode ban yaitu
angka 3 menunjukan ....
A. lebar ban dalam inchi
B. aspek rasio
C. kecepatan maksimum
D. diameter pelek dalam inch
E. lebar ban dalam mm
23. Pada sistem rem tromol ada beberapa komponen yang harus diperiksa yaitu ....
A. tebal dari tromol rem
B. diameter dalam tromol rem
C. diameter luar tromol rem
D. diameter dalam master silinder
E. panjang pedal rem keseluruhan
24. Ban radial mempunyai beberapa ciri yang membedakan dengan ban yang lain, Ciri-ciri
tersebut adalah ....
A. ban radial dibuat dengan lapisan serat arah miring
B. ban radial dibuat dengan lapisan serat arah tegak lurus
C. ban radial dibuat dengan lapisan serat arah melintang
D. ban radial dibuat dengan tapak yang sangat lebar dan lembut
E. ban radial dibuat dengan tapak yang sangat lebar dan kembang
25. Tekanan hidraulis dari master silinder mendorong piston dan selanjutnya menekan pada
rotor disc (cakram). Pada saat yang sama tekanan hidraulis menekan sisi pad ini,
menyebabkan kaliper bergerak ke kanan dan menjepit cakram, kemudian terjadilah usaha
tenaga pengereman. Dari pernyataan tersebut maka tipe rem tersebut adalah ....
A. rem tipe floating
B. rem tipe floating 2 piston
C. rem tipe fiksed 1 piston
D. rem tipe fiksed
E. rem tipe tipe fiksed tangan kanan.
26. Di bawah ini ada pernyataan yang paling benar, untuk cara kerja rem cakram tipe fixed
yaitu ....
A. pemasangan caliper dilengkapi dengan sepasang piston
B. pemasangan caliper dilengkapi dengan satu piston
C. pemasangan caliper dilengkapi dengan satu piston dan satu silinder
D. pemasangan caliper dilengkapi dengan tanpa seal oli
E. pemasangan caliper dilengkapi dengan sepasang booth
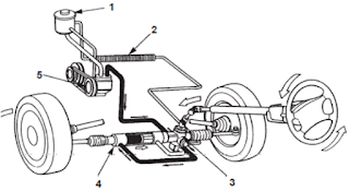
28. Gambar di atas adalah tipe sistem kemudi power steering nomor komponen yang benar
untuk 1, 5, 3 adalah .... 27. Gambar di atas menunjukan komponen sistem kemudi, yang paling benar urutannya 2, 3,
5, 6, 7 adalah ....
A. steering wheel, steering column, steering gear, pitman arm, idle arm,
B. steering gear, pitman arm, idle arm, tie rod, relay rod,
C. steering column, steering gear, idle arm, tie rod, relay rod
D. steering gear, pitman arm, tie rod, relay rod, knuckle arm
E. steering wheel, idle arm, tie rod, relay rod, knuckle arm
A. reservoir, pompa oli power steering, control vale
B. pompa oli power steering, reservoir, , control vale
C. control vale, reservoir, pompa oli power steering
D. pendingin, pompa oli power steering, control vale
E. reservoir, pompa oli power steering, pendingin
29. Pada system suspensi ada getaran-getaran pada kendaraan salah satunya adalah piching,
yang dimaksud pitching adalah ....
A. getaran yang mengakibatkan ujung depan dan belakang mobil.
B. gerakan kendaraan mengayun kesamping
C. gerakan kendaraan keatas dan kebawah
D. gerakan kendaraan kesamping dan kebelakang
E. gerakan kendaraan berayun-ayun
30. Dilihat dari gambar di atas, nama komponen sesuai nomor ....
A. 1. Plat Posistif ; 2 Sparator ; 3 Plat Negatif
B. 1. Plat Negatif; 2 Sparator ; 3 Plat Posistif
C. 1. Plat Posistif ; 2 Plat Negatif; 3 Sparator
D. 1. Sparator; 2 Plat Posistif; 3 Plat Negatif
E. 1. Plat Negatif; 2 Plat Posistif; 3 Sparator
31. Perhatikan gambar di samping, A menunjuk salah satu alat yang digunakan dalam pekerjaan tune-up yaitu ....
31. Perhatikan gambar di samping, A menunjuk salah satu alat yang digunakan dalam pekerjaan tune-up yaitu ....
A. mikrometer
B. thermometer
C. gelas ukur
D. hydrometer
E. timing light
32. Sistem penerangan bodi kendaraan ada komponen sikring yang fungsinya untuk ....
A. mencegah arus listrik yang berlebih mengalir pada peralatan
B. menghemat kabel sehingga di kendaraan kabel menjadi pendek
C. memperbesar arus dari batrai sehingga tegangan tambah besar
D. memperkecil arus yang ke saklar sehingga saklar lebih awet
E. memperbesar arus ke saklar sehingga lampu menjadi lebih terang
33. Dalam system AC ada alat untuk merubah gas Freon dari gas suhu panas menjadi dingin
dan cair, komponen tersebutla adalah ....
A. kondensor
B. filter (receiver drier)
C. kopling magnet (magnetic clutch)
D. kompresor
E. katup ekspansi















Posting Komentar untuk "Soal Ujian Nasional Teknik Otomotif Kendaraan Ringan"